Remarque
L’accès à cette page nécessite une autorisation. Vous pouvez essayer de vous connecter ou de modifier des répertoires.
L’accès à cette page nécessite une autorisation. Vous pouvez essayer de modifier des répertoires.
Le diagramme suivant représente un seul allocateur affecté pour une utilisation par trois filtres. Aucune allocation n’est nécessaire dans les filtres de transformateur ou de récepteur, car le système n’a pas affecté de gestionnaire d'allocation à ces filtres.
Le filtre source alloue un cadre, le remplit avec des données et l’envoie au filtre suivant. Le filtre de transformation effectue une transformation de données sur place et envoie le frame au filtre suivant. Lorsque le filtre récepteur termine l’opération d’entrée/sortie, le filtre source libère ou réutilise la trame. Le contrôle de flux est conservé dans ce graphique de filtre en fonction du nombre total d’images en attente qui peuvent être allouées à partir de l’allocateur récepteur et du taux d’achèvement de l’opération d’E/S.
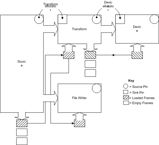
Le diagramme suivant représente une configuration d’allocateur dans laquelle une trame source est acheminée vers plusieurs récepteurs de destination.
Dans le diagramme, l'enregistreur de fichiers peut représenter l'exportation d'une onde vers un fichier, et l'appareil, une carte son vers laquelle l'audio est envoyé.
Ce graphique de filtre contient deux allocateurs : l’allocateur de la transformation et l’allocateur de l’appareil. Le filtre source alloue une trame à partir de l'allocateur de transformation, la remplit de données et l'envoie au filtre de transformation, puis à l'écrivain de fichiers. Lors de la réception d’une image, le filtre de transformation alloue une trame à partir de l’allocateur de l’appareil, effectue une transformation des données en nouvelle image et envoie cette trame à l’appareil.
Le contrôle de flux est maintenu dans ce graphe de filtres en fonction du nombre total d’images en attente qui peuvent être allouées par les allocateurs et du taux d’achèvement des opérations d’E/S. Notez qu’il doit y avoir un allocateur distinct pour chaque liste distincte de segments source/récepteur créés par le biais de broches de connexion. Si des allocateurs distincts ne sont pas présents, un segment donné peut consommer toutes les images disponibles, en laissant aucun pour le segment suivant, ce qui peut nécessiter un ou plusieurs images pour traiter les données créées par le segment précédent.