Nota
O acceso a esta páxina require autorización. Pode tentar iniciar sesión ou modificar os directorios.
O acceso a esta páxina require autorización. Pode tentar modificar os directorios.
En el diagrama siguiente se representa un único asignador que se asigna para uso de tres filtros. No se requiere ninguna asignación en los filtros de transformación o receptor porque el sistema no ha asignado un identificador de asignador a estos filtros.
El filtro de origen asigna un marco, lo rellena con datos y lo envía al siguiente filtro. El filtro de transformación realiza una transformación de datos en contexto y envía el marco al siguiente filtro. Cuando el filtro receptor completa la operación de E/S, el filtro de origen libera o reutiliza el marco. El control de flujo se mantiene en este grafo de filtros por el número total de fotogramas pendientes que se pueden asignar desde el asignador del sumidero y por la velocidad de terminación de la operación de E/S.
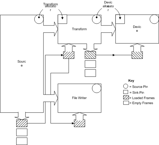
En el diagrama siguiente se representa una configuración de asignador en la que se enruta un marco de origen a varios receptores de destino.
En el diagrama, el escritor de archivos podría representar la onda de salida a un archivo, y el dispositivo una tarjeta de sonido a la que se envía el audio.
Este gráfico de filtros contiene dos asignadores: el asignador de la transformación y el asignador del dispositivo. El filtro de origen asigna un marco del asignador de transformación, lo rellena con datos y lo envía al filtro de transformación y, a continuación, al escritor de archivos. Al recibir un fotograma, el filtro de transformación asigna un marco desde el asignador de dispositivos, realiza una transformación de los datos en el nuevo marco y envía este fotograma al dispositivo.
El control de flujo se mantiene en este grafo de filtros por el total de fotogramas pendientes que se pueden asignar desde los asignadores y por la tasa de conclusión de las operaciones de E/S. Tenga en cuenta que debe haber un asignador independiente para cada lista independiente de segmentos de origen y receptor creados a través de pines de conexión. Si no hay asignadores independientes, un segmento determinado puede consumir todos los fotogramas disponibles, dejando ninguno para el siguiente segmento, lo que puede requerir uno o más fotogramas para procesar los datos creados por el segmento anterior.