Nota
L'accesso a questa pagina richiede l'autorizzazione. Puoi provare ad accedere o a cambiare directory.
L'accesso a questa pagina richiede l'autorizzazione. Puoi provare a cambiare directory.
Il diagramma seguente rappresenta un singolo allocatore assegnato per l'uso da tre filtri. Non è necessaria alcuna allocazione nei filtri di trasformazione o di scarico poiché il sistema non ha assegnato un handle di allocatore a questi filtri.
Il filtro di origine alloca un frame, lo riempie con i dati e lo invia al filtro successivo. Il filtro di trasformazione esegue una trasformazione dei dati sul posto e invia il frame al filtro successivo. Quando il filtro sink completa l'operazione di I/O, il filtro di origine libera o riutilizza il frame. Il controllo del flusso viene mantenuto in questo grafico di filtro in base al numero di fotogrammi in sospeso totali che possono essere allocati dall'allocatore sink e alla frequenza di completamento dell'operazione di I/O.
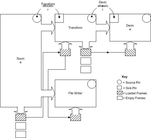
Il diagramma seguente rappresenta una configurazione dell'allocatore in cui un frame sorgente viene indirizzato verso più ricettori di destinazione.
Nel diagramma, il writer di file potrebbe rappresentare un'onda su un file e il dispositivo una scheda audio a cui viene inviato l'audio.
Questo grafico di filtro contiene due allocatori: l'allocatore della trasformazione e l'allocatore del dispositivo. Il filtro di origine alloca un frame dall'allocatore di trasformazione, lo riempie con i dati, lo sottopone al filtro di trasformazione e quindi allo scrittore di file. Al ricevimento di un frame, il filtro di trasformazione alloca un frame dall'allocatore del dispositivo, esegue una trasformazione dei dati nel nuovo frame e invia questo frame al dispositivo.
Il controllo del flusso viene mantenuto in questo grafico di filtro in base al numero di fotogrammi in sospeso totali che possono essere allocati dagli allocatori e dalla frequenza di completamento delle operazioni di I/O. Si noti che deve essere presente un allocatore separato per ogni elenco separato di segmenti di origine/sink creati tramite pin di connessione. Se non sono presenti allocatori separati, un determinato segmento può utilizzare tutti i fotogrammi disponibili, lasciando nulla per il segmento successivo, che potrebbe richiedere uno o più fotogrammi per elaborare i dati creati dal segmento precedente.