Notitie
Voor toegang tot deze pagina is autorisatie vereist. U kunt proberen u aan te melden of mappen te wijzigen.
Voor toegang tot deze pagina is autorisatie vereist. U kunt proberen om mappen te wijzigen.
Het volgende diagram vertegenwoordigt één allocator die is toegewezen voor gebruik door drie filters. Er is geen toewijzing vereist in de transformatie- of sinkfilters omdat het systeem geen allocator-ingang aan deze filters heeft toegewezen.
Het bronfilter wijst een frame toe, vult het met gegevens en verzendt het naar het volgende filter. Het transformatiefilter voert een in-place gegevenstransformatie uit en verzendt het frame naar het volgende filter. Wanneer het sinkfilter de I/O-bewerking voltooit, maakt het bronfilter het frame vrij of gebruikt het opnieuw. Flowcontrole wordt in deze filtergrafiek gehandhaafd door het totaal aantal openstaande frames dat kan worden toegewezen vanuit de sink-allocator en door de voltooiingssnelheid van de I/O-bewerking.
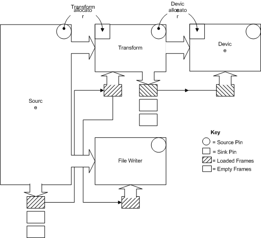
Het volgende diagram vertegenwoordigt een allocatorconfiguratie waarin een bronframe wordt gerouteerd naar meerdere doelsinks.
In het diagram kan de bestandsschrijver het naar een bestand uitzenden van de golf voorstellen, en het apparaat als een geluidskaart waarnaar audio wordt gestuurd.
Deze filtergrafiek bevat twee allocators: de allocator van de transformatie en de allocator van het apparaat. Het bronfilter wijst een frame toe van de transformatie-allocator, vult het met gegevens en verzendt het naar het transformatiefilter en vervolgens naar de schrijver van het bestand. Bij ontvangst van een frame wijst het transformatiefilter een frame toe van de allocator van het apparaat, voert een transformatie van de gegevens uit naar het nieuwe frame en verzendt het dit frame naar het apparaat.
Stroombeheer wordt in deze filtergrafiek gehandhaafd op het aantal totale openstaande frames dat kan worden toegewezen vanuit de toewijzingen en door de voltooiingssnelheid van de I/O-bewerkingen. Houd er rekening mee dat er een afzonderlijke allocator moet zijn voor elke afzonderlijke lijst met bron-/sinksegmenten die zijn gemaakt via verbindingspinnen. Als afzonderlijke toewijzingen niet aanwezig zijn, kan een bepaald segment alle beschikbare frames verbruiken, waardoor er geen frames voor het volgende segment zijn, waardoor een of meer frames mogelijk de gegevens moeten verwerken die door het vorige segment zijn gemaakt.