Poznámka:
Přístup k této stránce vyžaduje autorizaci. Můžete se zkusit přihlásit nebo změnit adresáře.
Přístup k této stránce vyžaduje autorizaci. Můžete zkusit změnit adresáře.
Následující diagram představuje jeden alokátor, který je přiřazený pro použití třemi filtry. V filtrech transformace nebo jímky není vyžadováno přidělení, protože systém k těmto filtrům nepřiřadil popisovač alokátoru.
Zdrojový filtr přidělí rámeček, vyplní ho daty a odešle ho do dalšího filtru. Transformační filtr provede místní transformaci dat a odešle rámeček do dalšího filtru. Jakmile filtr jímky dokončí vstupně-výstupní operaci, zdrojový filtr buď uvolní nebo znovu použije rámec. Řízení toku je v tomto grafu filtru zachováno podle počtu celkového nevyřízeného rámce, které lze přidělit z alokátoru jímky a rychlost dokončení vstupně-výstupní operace.
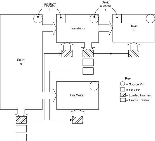
Následující diagram představuje konfiguraci alokátoru, ve které je zdrojový rámec směrován do více cílových jímek.
V diagramu může zapisovač souboru představovat vlnovou vlnu souboru a zařízení zvukovou kartu, do které se odesílá zvuk.
Tento graf filtru obsahuje dva alokátory: alokátor transformace a alokátor zařízení. Zdrojový filtr přidělí rámeček z alokátoru transformace, vyplní ho daty a odešle ho do transformačního filtru a pak do zapisovače souboru. Při přijetí rámce filtr transformace přidělí rámeček z alokátoru zařízení, provede transformaci dat do nového rámce a odešle tento rámec do zařízení.
Řízení toku v tomto grafu filtru se udržuje podle celkového počtu nevyřízených snímků, které je možné přidělit z alokátorů, a podle rychlosti dokončení vstupně-výstupních operací. Všimněte si, že pro každý samostatný seznam segmentů zdroje/jímky vytvořených prostřednictvím spojovacích kolíků musí existovat samostatný alokátor. Pokud nejsou k dispozici samostatné alokátory, může daný segment využít všechny dostupné rámce, nezanechat žádné pro další segment, který může potřebovat jeden nebo více rámců ke zpracování dat vytvořených předchozím segmentem.