Notatka
Dostęp do tej strony wymaga autoryzacji. Może spróbować zalogować się lub zmienić katalogi.
Dostęp do tej strony wymaga autoryzacji. Możesz spróbować zmienić katalogi.
Na poniższym diagramie przedstawiono pojedynczy alokator przypisany do użycia przez trzy filtry. W filtrach przekształcania ani filtrach odbiorczych nie jest wymagana żadna alokacja, ponieważ system nie przypisał do tych filtrów uchwytu alokatora.
Filtr źródłowy przydziela ramkę, wypełnia ją danymi i przesyła do następnego filtru. Filtr transformacji wykonuje bezpośrednią transformację danych i przesyła ramkę do kolejnego filtru. Gdy filtr zrzutowy zakończy operację I/O, filtr źródłowy zwalnia lub ponownie używa ramki. Sterowanie przepływem jest utrzymywane w tym grafie filtra przez liczbę całkowitych niewykorzystanych ramek, które można przydzielić z alokatora zasobów oraz przez tempo wykonywania operacji I/O.
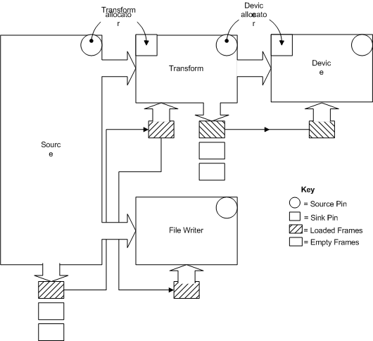
Na poniższym diagramie przedstawiono konfigurację alokatora, w której ramka źródłowa jest kierowana do wielu ujściów docelowych.
Na diagramie moduł zapisywania plików może reprezentować falę do pliku, a urządzenie jest kartą dźwiękową, do której jest wysyłany dźwięk.
Ten wykres filtru zawiera dwa alokatory: alokator przekształcenia i alokator urządzenia. Filtr źródłowy przydziela ramkę z alokatora przekształceń, wypełnia ją danymi i przesyła do filtru transformacji, a następnie do modułu zapisywania plików. Po otrzymaniu ramki filtr przekształcania przydziela ramkę z alokatora urządzenia, wykonuje przekształcenie danych w nową ramkę i przesyła tę ramkę do urządzenia.
Sterowanie przepływem jest utrzymywane na tym wykresie filtru przez liczbę całkowitych zaległych ramek, które można przydzielić z alokatorów i przez szybkość ukończenia operacji we/wy. Należy pamiętać, że dla każdej osobnej listy segmentów źródła/ujścia utworzonej za pomocą połączenia pinów należy utworzyć osobny alokator. Jeśli oddzielne alokatory nie są obecne, dany segment może zużyć wszystkie dostępne ramki, nie pozostawiając żadnych dla kolejnego segmentu, co może wymagać jednej lub więcej ramek do przetwarzania danych utworzonych przez poprzedni segment.