Not
Åtkomst till denna sida kräver auktorisation. Du kan prova att logga in eller byta katalog.
Åtkomst till denna sida kräver auktorisation. Du kan prova att byta katalog.
Följande diagram representerar en enskild allokerare som har tilldelats för användning av tre filter. Det krävs ingen allokering i transformations- eller mottagarfiltren eftersom systemet inte har tilldelat någon allokerarhanterare till dessa filter.
Källfiltret allokerar en ram, fyller den med data och skickar den till nästa filter. Transformeringsfiltret utför en datatransformering på plats och skickar ramen till nästa filter. När utmatningsfiltret slutför I/O-åtgärden antingen frigör eller återanvänder källfiltret ramen. Flödeskontrollen i den här filtreringsgrafen upprätthålls av antalet totalt utestående bilder som kan allokeras från sinkallokeraren och av hastigheten för slutförandet av I/O-åtgärden.
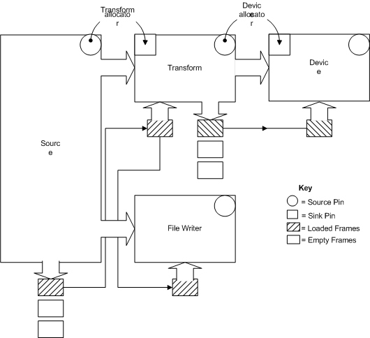
Följande diagram representerar en allokeringskonfiguration där en källram dirigeras till flera målmottagare.
I diagrammet kan filskrivaren representera våg ut till en fil och enheten ett ljudkort som ljud skickas till.
Det här filterdiagrammet innehåller två allokerare: transformatorns allokerare och enhetens allokerare. Källfiltret allokerar en ram från transformeringsallokeraren, fyller den med data och skickar den till transformeringsfiltret och sedan till filskrivaren. När en ram tas emot allokerar transformeringsfiltret en ram från enhetsallokeraren, utför en transformering av data till den nya ramen och skickar den här ramen till enheten.
Flödeskontrollen underhålls i det här filterdiagrammet av antalet totala utestående bildrutor som kan allokeras från allokeringarna och av slutförandet av I/O-åtgärderna. Observera att det måste finnas en separat allokerare för varje separat lista över käll-/mottagarsegment som skapas genom att ansluta pinnar. Om separata allokerare inte finns kan ett visst segment använda alla tillgängliga bildrutor och lämna inga för nästa segment, vilket kan kräva en eller flera bildrutor för att bearbeta data som skapades av föregående segment.